Amplificatori Leoncavallo
Vai ai contenuti
Menu principale:
Home Page
Biografia
Amplificatori
2A3
6L6
VT4/10
Preamplificatori
Schemi
2A3 O7
Filtro Passa Basso
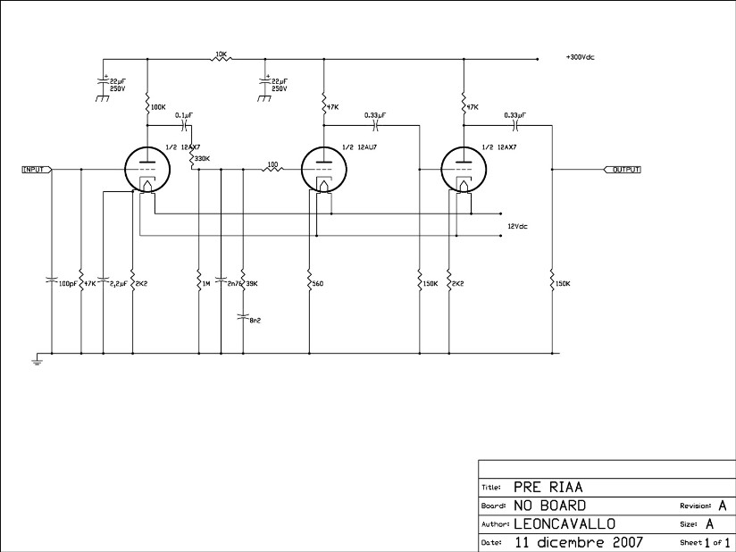
Pre Riaa
Contatti
Usato
Pre Riaa
Schemi
Menu di sezione:
2A3 O7
Filtro Passa Basso
Pre Riaa
←
Torna ai contenuti
|
Torna al menu